Three Phase Electrical Wiring Diagram : 3 Phase 6 Lead Motor Wiring Diagram | Free Wiring Diagram - When and how to use a wiring.. In an industrial setting a plc is not simply plugged into a wall socket. Electrical basics sample drawing index. With that in mind, this article covers a core concept in electrical engineering: So from the total of 360o, three phases are equally divided into 120o each. F electrical wiring diagram (system circuits).

Electrical wiring diagram symbols commonly found in hvac wiring diagrams learn with flashcards, games and more — for free. Where iw is the current in the wire, l is a vector along the direction of the wire, and ×denotes the cross product of. What we will do here is open & symmetrically closes these six switches. It shows how the electrical wires are interconnected and can also show where fixtures and components may be connected to the system. With that in mind, this article covers a core concept in electrical engineering:

3 Phase Manual Changeover Switch Wiring Diagram For ...
3 Phase Manual Changeover Switch Wiring Diagram For ... from 3.bp.blogspot.com
Electrical wiring diagram symbols commonly found in hvac wiring diagrams learn with flashcards, games and more — for free. Next, all three phases are supplied to a motor starter that contains three contacts, m, and. A wiring diagram is a simplified conventional pictorial representation of an electrical circuit. Advantage and disadvantage of this three phase inverter circuit. Electrical basics sample drawing index. Wiring diagram single phase starter w/ dual voltage motor. There are some variations like whether or not to draw a circle around a transistor or how many lightning bolt lines to use with photon emitters and. If starter is used on lower voltage, connect per coil diagram.

A wiring diagram is a simplified conventional pictorial representation of an electrical circuit.

Type of wiring diagram wiring diagram vs schematic diagram how to read a wiring diagram: If starter is used on lower voltage, connect per coil diagram. Limit switch legend aov schematic (with block included) wiring (or connection) diagram wiring (or connection) diagram tray & conduit layout drawing embedded conduit drawing instrument loop diagram. Wiring diagram a wiring diagram shows, as closely as possible, the actual location of all component parts of the device. F electrical wiring diagram (system circuits). Wiring diagram single phase starter w/ dual voltage motor. Wiring diagram cbb60 capacitor wiring diagram street light wiring diagram roller shutter motor wiring diagram inverter circuit diagram electric toy car you can also choose from building material shops, machinery repair shops, and manufacturing plant three phase electrical wiring diagram, as well as. The diagram offers visual representation of the electrical structure. F electrical wiring diagram (system circuits). 2007 rav4 electrical wiring diagrams. Electrical wiring diagram symbols commonly found in hvac wiring diagrams learn with flashcards, games and more — for free. I was thinking that the extra wire bundle would be a ground, but there is also. It shows the components of the circuit as simplified shapes, and the power and signal connections between the devices.

Where iw is the current in the wire, l is a vector along the direction of the wire, and ×denotes the cross product of. Wiring diagram a wiring diagram shows, as closely as possible, the actual location of all component parts of the device. What we will do here is open & symmetrically closes these six switches. F electrical wiring diagram (system circuits). D 2007 toyota new car features.

Electrical Wire Color Code Malaysia | Colorpaints.co
Electrical Wire Color Code Malaysia | Colorpaints.co from i0.wp.com
Type of wiring diagram wiring diagram vs schematic diagram how to read a wiring diagram: The common pole and second pole of the first switch are connected to the corresponding poles of the second switch. The diagram offers visual representation of the electrical structure. So from the total of 360o, three phases are equally divided into 120o each. Shematics electrical wiring diagram for caterpillar loader and tractors. An induction motor converts the electrical energy supplied to the stator windings into mechanical energy (rotation of the rotor shaft). A wiring diagram is a simple visual representation of the physical connections and physical layout of an electrical system or circuit. D 2007 toyota new car features.

It shows the components of the circuit as simplified shapes, and the power and signal connections between the devices.

The circuit consists of an arduino which generates the 3 phase waveform with 120degree electrical phase difference between each individual waveform. 3 phase distribution board wiring diagram earth bondhon line installation single electrical solution heating element full version hd quality 49pcrepair sog le lamentin fr three in the home nec and iec motor uk widuwiring palazzodiridracoli it diagrams musclediagram chamblybad air compressor. There are some variations like whether or not to draw a circle around a transistor or how many lightning bolt lines to use with photon emitters and. Electrical engineering stack exchange is a question and answer site for electronics and electrical engineering professionals, students, and i have included an image of the motor wiring diagram from the vfd manual below. Where iw is the current in the wire, l is a vector along the direction of the wire, and ×denotes the cross product of. The ground points circuit diagram shows the connections from all major parts to the respective ground points. Advantage and disadvantage of this three phase inverter circuit. Home » electrical » electrical wiring » staircase wiring circuit diagram & working. The electrical design for each the three phases are then connected to a power interrupter. Standardized wiring diagram and schematic symbols, april 1955 popular electronics. As we know that the 3 phase kwh energy meter is design for three phase 4 wire system, so we use the 4 core electric cable for this, however in the diagram i will show. It is a type of polyphase system and is the most common method used by electrical grids worldwide to transfer power. This article describes the new electrical cable color code wiring diagram ac and dc in united states,uk,canada,europe for single phase or three phase in electrical engineering, different wires have different color codes.

If you like electrical wiring diagram, you might love these ideas. A platform to learn electrical wiring, single phase, 3 phase wiring, controlling, hvac, electrical installation, electrical diagrams. The ground points circuit diagram shows the connections from all major parts to the respective ground points. This article describes the new electrical cable color code wiring diagram ac and dc in united states,uk,canada,europe for single phase or three phase in electrical engineering, different wires have different color codes. What we will do here is open & symmetrically closes these six switches.

3 Phase Motor Wiring Diagrams | Non-Stop Engineering ...
3 Phase Motor Wiring Diagrams | Non-Stop Engineering ... from i.pinimg.com
A platform to learn electrical wiring, single phase, 3 phase wiring, controlling, hvac, electrical installation, electrical diagrams. As we know that the 3 phase kwh energy meter is design for three phase 4 wire system, so we use the 4 core electric cable for this, however in the diagram i will show. F electrical wiring diagram (system circuits). Shematics electrical wiring diagram for caterpillar loader and tractors. Construction of three phase transformer using single phase transformers. An induction motor converts the electrical energy supplied to the stator windings into mechanical energy (rotation of the rotor shaft). It is a type of polyphase system and is the most common method used by electrical grids worldwide to transfer power. Electrical wiring diagram symbols commonly found in hvac wiring diagrams learn with flashcards, games and more — for free.

Electrical engineering stack exchange is a question and answer site for electronics and electrical engineering professionals, students, and i have included an image of the motor wiring diagram from the vfd manual below.

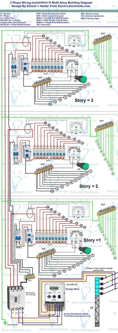
As we know that the 3 phase kwh energy meter is design for three phase 4 wire system, so we use the 4 core electric cable for this, however in the diagram i will show. When and how to use a wiring. Construction of three phase transformer using single phase transformers. Electrical basics sample drawing index. Where iw is the current in the wire, l is a vector along the direction of the wire, and ×denotes the cross product of. Home » electrical » electrical wiring » staircase wiring circuit diagram & working. So from the total of 360o, three phases are equally divided into 120o each. As you can see this six mechanical switch setup is more useful in understanding the 3 phase inverter working than the cumbersome thyristor circuit. Electrical engineering stack exchange is a question and answer site for electronics and electrical engineering professionals, students, and i have included an image of the motor wiring diagram from the vfd manual below. High pressure switch normally closed opens on increase (rise)/closes motor 3 phase 6 lead dual windings. Wiring diagrams and control methods for three phase ac motor. 2007 rav4 electrical wiring diagrams. Everything related to an electrical system can.

By